} NRE-140 -

Caractéristiques

-2ºC +8ºC

Plage

2

Étagères

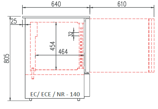
645 mm

Largeur

805 mm

Hauteur

640 mm

Profondeur

125 L

Volume

Réfrigérants

R290

Oui

Standard

190 W

Puissance

164 kWh

Consommation

Caractéristiques supplémentaires

2

Paires de rails

  • Extérieur en acier inox AISI-304, sauf le dosseret
  • Intérieur en acier inox AISI-304, avec bords arrondis et fond embouti, compatible GN 1/1.
  • Portes à ouverture réversible, avec système de fermeture automatique et joint
  • magnétique (reste ouverte au-delà de 90° d'ouverture)
  • Plan de travail en acier inox AISI-304
  • Étagères intérieures 530x440 en fil d'acier plastifié, réglables en
  • hauteur
  • Bacs DP en plastique 530x460 sur glissières en acier inox
  • Supports réglables en hauteur
  • Unité de condensation ventilée
  • Évaporateur à tirage forcé, avec revêtement époxy anticorrosion Isolation en polyuréthane injecté, densité 40 kg/m³
  • Contrôle numérique de la température, dégivrage optimisé, alarme en cas de température
  • de condensation élevée. Gestion efficace de la consommation d'énergie
  • Température de fonctionnement à 32 °C ambiant

Options

  • jeu de 4 roulettes
  • serrure de porte en acier inoxydable
  • serrure de porte en verre
  • 230 V 60 Hz / 115 V 60 Hz